產品介紹產品圖紙
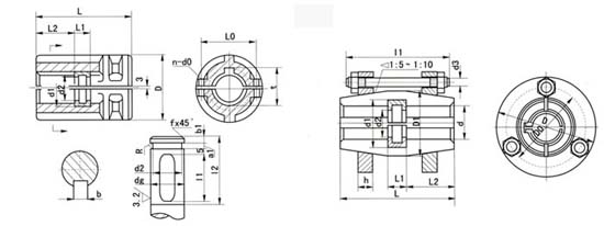
1、JQ、JQW型夾殼聯軸器主要尺寸
標定符號
孔徑
Mmax
D
L
L1
(H8/j7)
L2
L0
n-d0
d1
(H11/h11)
d2
(H11)
a1
(H11)
b1
l1
l2
R
f
b
t
重量(kg)
JQ-25
25
90
95
110
20
45
58
4-12
32
20
5
4
35
60
0.2
0.4
8
28.3
4.47
JQ-30
30
90
102
130
20
55
64
4-14
38
25
5
4
45
70
0.2
0.4
8
33.3
4.47
JQ-35
35
236
118
162
20
71
80
6-14
43
30
5
4
55
85
0.4
0.6
10
38.3
7.60
JQ-40
40
236
118
162
20
71
80
6-14
48
35
5
6
55
85
0.4
0.6
12
43.3
7.60
JQ-45
45
530
135
190
24
83
94
6-14
57
37
6
5
70
100
0.4
0.6
14
48.8
10.85
JQ-50
50
530
135
190
24
83
94
6-14
62
42
6
5
70
100
0.4
0.6
14
53.8
10.85
JQ-55
55
530
135
190
24
83
94
6-14
67
47
6
5
70
100
0.6
1
16
59.3
10.85
JQ-60
60
1400
172
250
30
110
124
8-18
73
50
8
6
100
130
0.6
1
18
64.4
25.06
JQ-65
65
1400
172
250
30
110
124
8-18
78
55
8
6
100
130
0.6
1
18
69.4
25.06
JQ-70
70
1400
172
250
30
110
124
8-18
83
60
8
6
100
130
0.6
1
20
74.9
25.06
JQ-80
80
2650
185
280
38
131
138
8-18
94
7
10
8
110
145
0.6
1
22
85.4
30.16
JQ-85
85
2650
185
280
38
121
138
8-18
99
75
10
8
110
145
0.6
1
22
90.4
30.16
JQ-90
90
5200
230
330
38
146
164
8-23
105
80
10
8
140
170
0.6
1
25
95.4
56.38
JQ-95
95
5200
230
330
38
146
164
8-23
110
85
10
8
140
170
0.6
1
25
100.4
56.38
JQ-100
100
5200
230
330
38
146
164
8-23
115
90
10
8
140
170
0.6
1
28
106.4
56.38
JQ-105
105
5200
230
330
38
146
164
8-23
120
95
10
8
140
170
0.6
1
28
111.4
56.38
JQ-110
110
9000
260
390
46
172
190
8-23
125
100
12
10
160
200
0.6
1
28
116.4
90
JQ-115
115
9000
260
390
46
172
190
8-23
130
105
12
10
160
200
0.6
1
32
122.4
90
JQ-120
120
9000
260
390
46
172
190
8-23
135
110
12
10
160
200
0.6
1
32
127.4
90
JQ-125
125
15000
280
440
54
193
210
10-23
140
115
14
12
180
225
0.6
1
32
132.4
125
JQ-130
130
15000
280
440
54
193
210
10-23
146
118
14
12
180
225
0.6
1
32
137.4
125
JQ-140
140
15000
300
440
54
193
230
10-23
158
128
14
12
180
225
0.6
1
36
148.4
125
JQ-150
150
28000
340
500
64
218
260
10-33
170
134
16
14
200
255
0.6
1
36
158.4
215
JQ-160
160
28000
340
500
64
218
260
10-33
180
144
16
14
200
255
0.6
1
40
169.4
215
JQ-180
180
31000
380
560
72
244
300
10-33
200
162
18
16
240
285
1
1.5
45
190.4
350
JQ-200
200
33750
420
640
80
280
340
10-33
220
182
20
18
270
325
1
1.5
45
210.4
516
注:JQW型為夾殼式聯軸器是JQ型夾殼式聯軸器取消息懸吊環(huán),避免軸向重復定位的結構,可在單支點機架中使用。
2、JJQ型緊箍夾殼聯軸器主要尺寸
軸徑d
25,30
35,40
45,50,55
65,70
80,85
90,95,100,105
110,115,1200
125,130,140
150,160
180,200
Mmax
180
560
900
1400
3150
5600
12500
18000
28000
35000
D
90
105
120
160
180
210
240
280
310
390
D0
70
85
100
135
155
180
210
240
270
340
D1
55
70
85
115
135
160
185
210
240
300
h
16
20
24
30
36
40
45
50
55
60
L
130
162
190
250
280
330
390
440
500
640
L1
120
150
170
220
250
290
350
400
460
600
d3
M10
M10
M10
M12
M12
M16
M16
M20
M20
M24
重量(kg)
3.2
6.3
8.9
21
31
63
79
113
193
430
注:懸吊環(huán)及軸端的其它尺寸與JQ型夾殼軸器相同軸徑尺寸相同。
1、JQ、JQW型夾殼聯軸器主要尺寸
標定符號
孔徑
Mmax
D
L
L1
(H8/j7)
L2
L0
n-d0
d1
(H11/h11)
d2
(H11)
a1
(H11)
b1
l1
l2
R
f
b
t
重量(kg)
JQ-25
25
90
95
110
20
45
58
4-12
32
20
5
4
35
60
0.2
0.4
8
28.3
4.47
JQ-30
30
90
102
130
20
55
64
4-14
38
25
5
4
45
70
0.2
0.4
8
33.3
4.47
JQ-35
35
236
118
162
20
71
80
6-14
43
30
5
4
55
85
0.4
0.6
10
38.3
7.60
JQ-40
40
236
118
162
20
71
80
6-14
48
35
5
6
55
85
0.4
0.6
12
43.3
7.60
JQ-45
45
530
135
190
24
83
94
6-14
57
37
6
5
70
100
0.4
0.6
14
48.8
10.85
JQ-50
50
530
135
190
24
83
94
6-14
62
42
6
5
70
100
0.4
0.6
14
53.8
10.85
JQ-55
55
530
135
190
24
83
94
6-14
67
47
6
5
70
100
0.6
1
16
59.3
10.85
JQ-60
60
1400
172
250
30
110
124
8-18
73
50
8
6
100
130
0.6
1
18
64.4
25.06
JQ-65
65
1400
172
250
30
110
124
8-18
78
55
8
6
100
130
0.6
1
18
69.4
25.06
JQ-70
70
1400
172
250
30
110
124
8-18
83
60
8
6
100
130
0.6
1
20
74.9
25.06
JQ-80
80
2650
185
280
38
131
138
8-18
94
7
10
8
110
145
0.6
1
22
85.4
30.16
JQ-85
85
2650
185
280
38
121
138
8-18
99
75
10
8
110
145
0.6
1
22
90.4
30.16
JQ-90
90
5200
230
330
38
146
164
8-23
105
80
10
8
140
170
0.6
1
25
95.4
56.38
JQ-95
95
5200
230
330
38
146
164
8-23
110
85
10
8
140
170
0.6
1
25
100.4
56.38
JQ-100
100
5200
230
330
38
146
164
8-23
115
90
10
8
140
170
0.6
1
28
106.4
56.38
JQ-105
105
5200
230
330
38
146
164
8-23
120
95
10
8
140
170
0.6
1
28
111.4
56.38
JQ-110
110
9000
260
390
46
172
190
8-23
125
100
12
10
160
200
0.6
1
28
116.4
90
JQ-115
115
9000
260
390
46
172
190
8-23
130
105
12
10
160
200
0.6
1
32
122.4
90
JQ-120
120
9000
260
390
46
172
190
8-23
135
110
12
10
160
200
0.6
1
32
127.4
90
JQ-125
125
15000
280
440
54
193
210
10-23
140
115
14
12
180
225
0.6
1
32
132.4
125
JQ-130
130
15000
280
440
54
193
210
10-23
146
118
14
12
180
225
0.6
1
32
137.4
125
JQ-140
140
15000
300
440
54
193
230
10-23
158
128
14
12
180
225
0.6
1
36
148.4
125
JQ-150
150
28000
340
500
64
218
260
10-33
170
134
16
14
200
255
0.6
1
36
158.4
215
JQ-160
160
28000
340
500
64
218
260
10-33
180
144
16
14
200
255
0.6
1
40
169.4
215
JQ-180
180
31000
380
560
72
244
300
10-33
200
162
18
16
240
285
1
1.5
45
190.4
350
JQ-200
200
33750
420
640
80
280
340
10-33
220
182
20
18
270
325
1
1.5
45
210.4
516
注:JQW型為夾殼式聯軸器是JQ型夾殼式聯軸器取消息懸吊環(huán),避免軸向重復定位的結構,可在單支點機架中使用。
2、JJQ型緊箍夾殼聯軸器主要尺寸
軸徑d
25,30
35,40
45,50,55
65,70
80,85
90,95,100,105
110,115,1200
125,130,140
150,160
180,200
Mmax
180
560
900
1400
3150
5600
12500
18000
28000
35000
D
90
105
120
160
180
210
240
280
310
390
D0
70
85
100
135
155
180
210
240
270
340
D1
55
70
85
115
135
160
185
210
240
300
h
16
20
24
30
36
40
45
50
55
60
L
130
162
190
250
280
330
390
440
500
640
L1
120
150
170
220
250
290
350
400
460
600
d3
M10
M10
M10
M12
M12
M16
M16
M20
M20
M24
重量(kg)
3.2
6.3
8.9
21
31
63
79
113
193
430
注:懸吊環(huán)及軸端的其它尺寸與JQ型夾殼軸器相同軸徑尺寸相同。
|
1、JQ、JQW型夾殼聯軸器主要尺寸 |
||||||||||||||||||||||||||||||||||||||||||||||||||||||||||||||||||||||||||||||||||||||||||||||||||||||||||||||||||||||||||||||||||||||||||||||||||||||||||||||||||||||||||||||||||||||||||||||||||||||||||||||||||||||||||||||||||||||||||||||||||||||||||||||||||||||||||||||||||||||||||||||||||||||||||||||||||||||||||||||||||||||||||||||||||||||||||||||||||||||||||||||||||||||||||||||||||||||||||||||||||||||||||||||||||||||||||||||||||||||||||||||||||||||||||||||||||||||||||||||||||||||||||||||||||||||||||||||||||||||||||||||||||||||||||||||||||||||||||||||||||||||||||||||||||||||||||||||||||||||||||||||||||||||||||||||||||||||||||||||||||||||||||
注:JQW型為夾殼式聯軸器是JQ型夾殼式聯軸器取消息懸吊環(huán),避免軸向重復定位的結構,可在單支點機架中使用。
2、JJQ型緊箍夾殼聯軸器主要尺寸
注:懸吊環(huán)及軸端的其它尺寸與JQ型夾殼軸器相同軸徑尺寸相同。
|
|
1、JQ、JQW型夾殼聯軸器主要尺寸 |
||||||||||||||||||||||||||||||||||||||||||||||||||||||||||||||||||||||||||||||||||||||||||||||||||||||||||||||||||||||||||||||||||||||||||||||||||||||||||||||||||||||||||||||||||||||||||||||||||||||||||||||||||||||||||||||||||||||||||||||||||||||||||||||||||||||||||||||||||||||||||||||||||||||||||||||||||||||||||||||||||||||||||||||||||||||||||||||||||||||||||||||||||||||||||||||||||||||||||||||||||||||||||||||||||||||||||||||||||||||||||||||||||||||||||||||||||||||||||||||||||||||||||||||||||||||||||||||||||||||||||||||||||||||||||||||||||||||||||||||||||||||||||||||||||||||||||||||||||||||||||||||||||||||||||||||||||||||||||||||||||||||||||
注:JQW型為夾殼式聯軸器是JQ型夾殼式聯軸器取消息懸吊環(huán),避免軸向重復定位的結構,可在單支點機架中使用。
2、JJQ型緊箍夾殼聯軸器主要尺寸
注:懸吊環(huán)及軸端的其它尺寸與JQ型夾殼軸器相同軸徑尺寸相同。
|


